前面的文章《ABB机器人IRC5控制器介绍》我们对ABB机器人IRC5控制柜进行了整体介绍,今天这篇文章来详细介绍一下其中的安全板,它的作用是连接外部的停止信号,让机器人在需要的时候停止运动。
以IRC5单柜型控制器的安全板(Panel Board)DSQC 643为例进行介绍,其外观如下图所示:
安全板的右侧中部是LED指示灯,其中:
-
EN1:使能1;
-
AS1:自动停止(Auto Stop)通道1;
-
AS2:自动停止(Auto Stop)通道2;
-
GS1:常规停止(GeneralStop)通道1;
-
GS2:常规停止(GeneralStop)通道2;
-
SS1:上级停止(Superior Stop)通道1;
-
SS2:上级停止(Superior Stop)通道2;
-
ES1:紧急停止(Emergency Stop)通道1;
-
ES2:紧急停止(Emergency Stop)通道2;
正常情况下这些LED灯都应该是点亮状态,若是熄灭,则表示回路有断路。
各种停止类型的含义:
①自动停止:机器人处于自动运行模式下,使其执行机构先停止然后断电的停止方式,属于机械电气设备安全的国际标准IEC 60204中所定义的1类停止。
②常规停止:机器人处于自动或手动模式下,使其执行机构先停止然后断电的停止方式,属于1类停止。
③上级停止:机器人处于自动或手动模式下,使其执行机构先停止然后断电的停止方式。一般这类停止由上级控制器(PLC)触发,属于1类停止。
④紧急停止:机器人处于自动或手动模式下,通过切断执行机构的电源而使其执行机构断电而立刻停止的方式,属于0类停止。
0类停止和1类停止的区别在于:0类停止通过切断执行机构的电源而导致立刻停止,一般用于紧急情况;1类停止是让执行机构通电的情况下先停止,然后切断电源。在IRC5中,伺服驱动器让电机停止后1秒左右切断电源。
X1和X2是用于外部紧急停止的接线端子排,X5是用于外部自动停止、常规停止的接线端子排,X6是用于外部上级停止的接线端子排。
X1端子排有11个接线柱,其中4号是安全板自带的24V电源正极,8号是电源负极(0V);1号和2号内部是一个常开触点,当急停回路闭合时,该触点闭合。出厂时为了满足回路闭合要求,3、4、5号短接,7、8号短接,9、10号短接;
X2端子排有12个接线柱,其中4号是安全板自带的电源负极(0V),8号是24V电源正极(24V);1号和2号内部是一个常开触点,当急停回路闭合时,该触点闭合。出厂时了满足回路闭合要求,3、4、5号短接,7、8号短接,9、10号短接;
如下图所示:
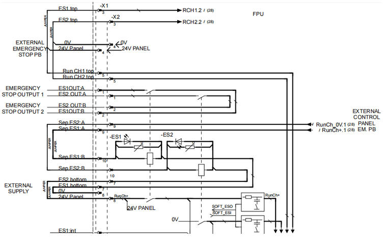
当需要连接外部急停按钮时,将X1和X2的9、10号短接片拆除,分别连接急停按钮的两路通道,如下图所示:

该部分电气图纸如下:
端子排X5可实现自动停止和常规停止,共有14个接线柱,定义如下:
安全板X5接线端子排
编号 名称 说明
1 0V 24V电源负极
2 GS2- 常规停止通道2负极
3 AS2- 自动停止通道2负极
4 GS2+ 常规停止通道2正极
5 AS2+ 自动停止通道2正极
6 24V 24V电源正极
7 0V 24V电源负极
8 GS1- 常规停止通道1负极
9 AS1- 自动停止通道1负极
10 GS1+ 常规停止通道1正极
11 AS1+ 自动停止通道1正极
12 24V 24V电源正极
出厂时X5的1、2、3号短接,4、5、6号短接,7、8、9号短接,10、11、12号短接,如下图所示:
要实现外部自动停止,比如安全门开关被触发导致机器人自动停止,可以采用下面的接线方式:
虚线表示这两个常闭开关是联动的。
如果要实现外部常规停止,可以采用下面的接线:
端子排X6可实现上级停止和使能控制。上级停止是指PLC或其它控制器发来的停止信号,可在自动或手动模式下实现。X6端子排各个端子定义如下:
安全板X6接线端子排
编号 名称 说明
1 0V 24V电源负极
2 SS1- 上级停止通道1负极
3 SS2- 上级停止通道2负极
4 SS1+ 上级停止通道1正极
5 SS2+ 上级停止通道2正极
6 24V 24V电源正极
7 EN1_1A 使能通道1-1A
8 EN1_1B 使能通道1-1B
9 EN2_1B 使能通道2-1B
10 EN2_1A 使能通道2-1A
出厂时X6的1、2、3号短接,4、5、6号短接,7、8号短接,9、10号短接,如下图所示:
对于上级停止控制,可以采用下图所示的接线方式:
好了,关于ABB机器人的紧急停止、自动停止、常规停止和上级停止就先介绍到这里。
转载请注明:可思数据 » 怎样实现ABB机器人的紧急停止、自动停止及常规停止?
免责声明:本站来源的信息均由网友自主投稿和发布、编辑整理上传,或转载于第三方平台,对此类作品本站仅提供交流平台,不为其版权负责。本网站对有关资料所引致的错误、不确或遗漏,概不负任何法律责任。若有来源标注错误或侵犯了您的合法权益,请作者持权属证明与本站联系,我们将及时更正、删除,谢谢。联系邮箱:elon368@sina.com


